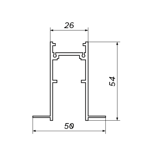
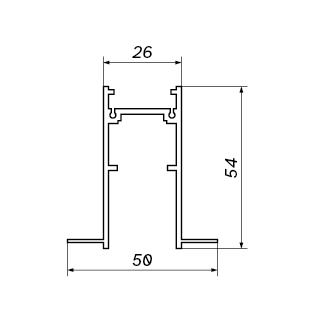
Czarna podtynkowa szyna magnetyczna 3M Oxyled 899311 Typ D płyta GK pojedyncza 9,5 mm lub 12,5 mm
|
Dowiedz się więcej na temat szyn magnetycznych oraz na temat montażu podtynkowego szynoprzewodów i płyt kartonowo gipsowych. Czym jest szyna magnetyczna typu D?Szyna magnetyczna typu D przeznaczona jest do montażu w suficie podwieszanym, na pojedynczych płytach kartonowo gipsowych o grubości 9,5 mm lub 12,5 mm. Szyna umożliwia uzyskanie efektu pełnego zlicowania z sufitem, bez widocznej krawędzi lub ramki szyny. Po zamontowaniu skrzydełka są szpachlowane. Na poniższym nagraniu prezentujemy jak dobrać płytę kartonowo gipsową do danego typu szyny oraz jak powinna być montowana. Na poniższym nagraniu prezentujemy jak łączyć ze sobą kolejne szyny, aby utworzyć dowolny kształt układu szynoprzewodów. Czy szynoprzewody magnetyczne są dla Ciebie?Jeżeli nie masz pewności, czy szynoprzewody magentyczne są dla Ciebie, zapoznaj się z naszym poradnikiem jak kupić szynoprzewody magnetyczne. Dowiesz się z niego czy to rozwiązanie jest dla Ciebie odpowiednie, zrozumiesz efekty, jakie można osiągnąć, oraz będziesz mieć jasność co do kosztów i dostępności tej inwestycji. Sprawdź też jakie może być osiem problemów z szynoprzewodami magnetycznymi i jakie są ich rozwiązania. Czym są szynoprzewody magnetyczne Oxyled Multiline?Szynoprzewody Oxyled Multiline to zaawansowany system oświetlenia szynowego pracujący przy napięciu 48V (tutaj wyjaśniamy dlaczego szyny są na napięciu 48V). Znajduje się on w średnim segmencie cenowym, co oznacza, że oferowane produkty są w przystępnej cenie, przy zachowaniu wysokiej jakości wykonania oraz dobrych parametrów świetlnych. Zestaw Oxyled Multiline zyskał pierwsze miejsce w naszym rankingu szynoprzewodów magnetycznych. Przeprowadziliśmy również porównania lamp tej marki z produktami innych producentów, które zachęcamy do sprawdzenia.
Na poniższym filmie prezentujemy szynoprzewody magnetyczne Oxyled Multiline i wszystkie elementy. W tym miejscu znajdują się zestawy z wszystkimi elementami Multiline:
Główne zalety szynoprzewodów magnetycznych Oxyled Multiline
Wady szynoprzewodów magnetycznych Oxyled Multiline
Jak dobrać elementy do zestawu Oxyled MultilineMożesz skorzystać z naszej instrukcji jak dobrać szynoprzewody magnetyczne, możesz obejrzeć poniższe nagranie z objaśnieniem albo wysłać do nas zapytanie na adres sklep@lampomat.pl. Korzyści z zakupu szynoprzewodów w naszym sklepie, których nie ma konkurencja
Opis poszczególnych elementów i przydatne artykułyJezeli jesteś osobą, która przed zakupem lubi dokładnie poznać produkt i przy finalizacji transakcji zna sie na nim czesto lepiej niż sprzedawca, to poniższe artykuły i poradniki, ktore przygotowaliśmy mogą byc dla Ciebie pomocne.
Nasze realizacje z szynoprzewodami Oxled MultilinePoniższe linki prowadzą do galerii zdjęć z naszych realizacji inwestycji oświetleniowych za pomocą szynoprzewodów Oxyled Multiline |
Opinie pochodzą od użytkowników zalogowanych i niezalogowanych. Nie weryfikujemy, czy autor kupił dany produkt, np. w naszym sklepie lub w innym miejscu. Po zatwierdzeniu wyświetlamy zarówno pozytywne, jak i negatywne opinie.
Kliknij na nazwę poniżej aby pobrać plik.
Koszty transportu:
- Do 600,00 zł - 29,90 zł
- Od 600,00 zł - dostawa gratis
Firma kurierska:
- GLS
- DPD
- Zobacz jak pakujemy lampy
Metody płatności:
- Przelew tradycyjny
- Szybki przelew bankowy
- Karta płatnicza
- Blik
- PayPo
- Raty
Czas na zwrot:
- 45 dni
- Zwrot jest darmowy, przez GLS
Informacje:
Wysyłki realizujemy z Poznania lub przez dropshipping z magazynu producenta.
Fakturę wysyłamy w wersji elektronicznej.
- Poradniki i przydatne materiały
- Czym się różnią szynoprzewody?
- Jak kupić szynoprzewody 1-fazowe
- Jak kupić szynoprzewody 3-fazowe
- Jak kupić szynoprzewody magnetyczne
- 6 problemów z szynoprzewodami 1-fazowymi i ich rozwiązania
- 5 problemów z szynoprzewodami 3-fazowymi i ich rozwiązania
- 8 problemów z szynoprzewodami magnetycznymi i ich rozwiązania
- Ranking szynoprzewodów 1-fazowych
- Ranking szynoprzewodów 3-fazowych
- Ranking szynoprzewodów magnetycznych
| Typ produktu | szyna |
| Montaż | podtynkowy |
| Rodzaj | magnetyczne |
| Zdalne sterowanie | Nie |
| Gwarancja | 5 lat (sprawdź jak skorzystać) |


Opis produktu